黄网站免费久久I国内久久视频I99精品网站I91网址在线看I五月婷婷激情综合网I国产在线观看免
提供防水透氣、透聲膜解決方案
18665855806
咨詢熱線:
戈埃爾首頁
防水透氣膜
防水透聲膜
解決方案
關于戈埃爾
新聞中心
聯系戈埃爾
戈埃爾產品中心
PRODUCT CENTER
防水透氣膜
防水透聲膜
防水測試儀
防水透氣膜廠家
防水膜加工
防油疏油膜
透氣膜廠家
喇叭防水膜
聽筒防水膜
防水膜材料
防水透氣閥
防水呼吸器
防水透氣塞
防水防塵網
防水雙面膠
防水泡棉材料
導熱硅膠生產
防水硅膠生產
防水輔料加工
防水透氣組件
防水透聲組件
微孔濾膜
點膠加工
灌膠加工
加工點膠方案
關于我們
About us
公司簡介
人才招聘
聯系方式
榮譽證書
您的位置:
首頁
>
新聞中心
> EPTFE-防水透氣膜阻燃ROHS報告-2
EPTFE-防水透氣膜阻燃ROHS報告-2
信息來源:深圳市戈埃爾科技有限公司 添加時間:2025-04-15
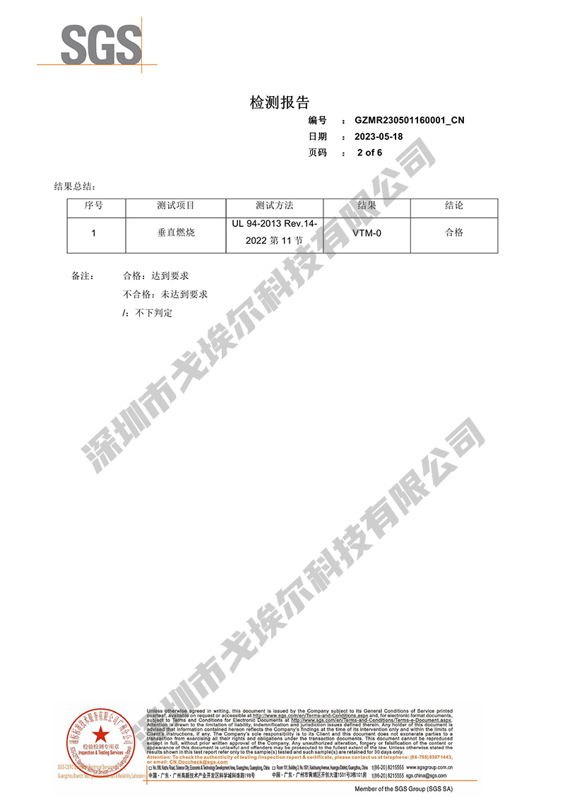
EPTFE-防水透氣膜阻燃ROHS報告
熱銷產品推薦(防水透氣/透聲膜)
防水透氣膜在新能源手持充電槍中還有哪些作用
深水透音膜是什么材料
智能穿戴喇叭防水膜
充電樁防水透氣組件
蜂鳴器防水透氣膜
防水透聲膜的作用與意義
汽車麥克風防水透聲膜
什么是瓶蓋疏油疏水透氣膜透氣蓋濾膜?
防水透氣防塵防塵解決方案相關資訊推薦閱讀
戈埃爾科技:專業成就高品質防水透氣閥,讓燈具像生命一樣呼吸
怎么避免防水透氣膜產生結露?
下雨天太多,運用技巧來選擇防水涂料
防塵防水透聲膜的工作原理
防水透氣膜教您如何正確的選擇
電子煙煙彈隔液膜有哪些作用呢?
汽車外部照明燈具用防水透氣膜的作用
關于AB膠點膠加工的介紹及應用
尿液袋中如何使用防水透氣膜!
室外通信設備防水透氣膜主要目的是防水與透氣嗎
路燈可以用防水透氣膜嗎?
防水透氣膜多少錢一平?
麥克風防水膜和手機喇叭防水膜是一樣的嗎
自動點膠機點膠代加工設備與膠水關系?
摩托車儀表盤防水透氣膜的作用!
全景相機防水泄壓膜是怎樣實現IP67級防護的?
產品中心
防水透氣膜
防水透聲膜
防水測試儀
防水透氣膜廠家
防水膜加工
防油疏油膜
透氣膜廠家
喇叭防水膜
聽筒防水膜
防水膜材料
防水透氣閥
防水呼吸器
防水透氣塞
防水防塵網
防水雙面膠
防水泡棉材料
導熱硅膠生產
防水硅膠生產
防水輔料加工
防水透氣組件
防水透聲組件
微孔濾膜
點膠加工
灌膠加工
加工點膠方案
關于我們
公司簡介
人才招聘
聯系方式
榮譽證書
解決方案
最新資訊
常見問題
公司新聞
行業資訊
聯系方式
聯系人:姚先生
電話:18665855806
傳真:18665855806
郵箱:angoel@angoel.com
地址:深圳市龍華區黃麻埔工業區1棟三樓301
深圳市戈埃爾科技有限公司版權所有
粵ICP備16085349號
返回頂部
18665855806
掃一掃微信咨詢